充氣式無局放試驗變壓器的試驗現場如何布置
充氣式無局放試驗的試驗現場如何布置,以充氣式無局放試驗變壓器等為主的設備如何調試。本文將對這些問題做一個簡要的分析。
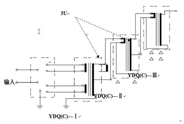
1、交流耐壓試驗接線圖
2、串激組合試驗接圖
1)串級接線
注:高壓輸出串激線與儀表及高壓尾應可靠相連,否則易擊穿變壓器。 接線請校極性。
CZT-操作臺
YDQ(C)-Ⅰ-第一組試變
YDQ(C)-Ⅱ-第二組試變
YDQ(C)-Ⅲ-第三組試變
△-絕緣支架
2)概述
為了方便電力系統的現場等級的試驗,我們專們設計和生產用多臺輕型試驗變壓器串激組合YDQ(C)系列試驗設備。由于分散組合能力方便使用,故可適應現場多種需要。每個單元重量輕,運輸和移動方便,使現場能順利取得較高的試驗電源。
3)工作原理
YDQ(C)系列高壓試驗裝置,除最高電壓一級外,都在高壓繞組中串繞激磁組。該繞組和后一級試驗變壓器初級線圈參數相同。
由控制箱供給第Ⅰ級試驗變壓器繞組電源。第Ⅰ級高壓繞組尾端和外殼接地,首端和第Ⅱ級試驗變壓器高壓尾及外殼連接。由第Ⅰ 級串激抽頭供給第Ⅱ級低壓繞組的勵磁電源,此時Ⅱ級試驗變壓器輸出為第Ⅰ和第Ⅱ級輸出疊加。同理,可疊加第Ⅲ級。
3、無局放試驗(YDQW型試驗變壓器適用)
接線圖參考局部放電檢測儀接線(如下),升壓使用與普通交流耐壓試驗操作方法相同。
CK:耦合電容器 CX:被試品
以上是充氣式無局放試驗的現場布置,如果對充氣式無局放變壓器有興趣,可以多看看產品欄目。
1、交流耐壓試驗接線圖
1)串級接線
注:高壓輸出串激線與儀表及高壓尾應可靠相連,否則易擊穿變壓器。 接線請校極性。
YDQ(C)-Ⅰ-第一組試變
YDQ(C)-Ⅱ-第二組試變
YDQ(C)-Ⅲ-第三組試變
△-絕緣支架
2)概述
為了方便電力系統的現場等級的試驗,我們專們設計和生產用多臺輕型試驗變壓器串激組合YDQ(C)系列試驗設備。由于分散組合能力方便使用,故可適應現場多種需要。每個單元重量輕,運輸和移動方便,使現場能順利取得較高的試驗電源。
3)工作原理
YDQ(C)系列高壓試驗裝置,除最高電壓一級外,都在高壓繞組中串繞激磁組。該繞組和后一級試驗變壓器初級線圈參數相同。
由控制箱供給第Ⅰ級試驗變壓器繞組電源。第Ⅰ級高壓繞組尾端和外殼接地,首端和第Ⅱ級試驗變壓器高壓尾及外殼連接。由第Ⅰ 級串激抽頭供給第Ⅱ級低壓繞組的勵磁電源,此時Ⅱ級試驗變壓器輸出為第Ⅰ和第Ⅱ級輸出疊加。同理,可疊加第Ⅲ級。
3、無局放試驗(YDQW型試驗變壓器適用)
接線圖參考局部放電檢測儀接線(如下),升壓使用與普通交流耐壓試驗操作方法相同。
以上是充氣式無局放試驗的現場布置,如果對充氣式無局放變壓器有興趣,可以多看看產品欄目。
- 上一篇: 充氣式無局放試驗變壓器的操作試驗方法
- 下一篇: 電力系統繼電保護裝置中常用的25個名詞解釋





